Technique

Vous êtes ici : > > >

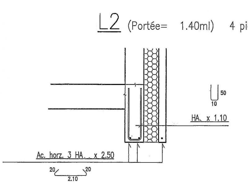
Linteaux

 

Illustrations:

 

linteaux-3-.jpg

linteaux-2-.jpg

1939059702_linteaux-1-.jpg